66CS
DESCRIPTION SPEAKER


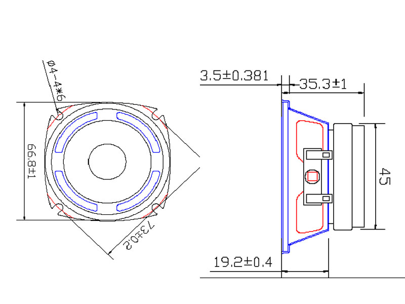
SPEAKER SPECIFICATION
| Outer Dimensions | 66 mm(See attached drawing) | 
| Rated (Max.)Input | 5 W (68W) | 
| Voice Coil Imp. | 8 ± 1.2 Ω ( 1000 Hz 1 V ) | 
| Lowest Resonance Frequency ( fo ) | 540 ± 108 Hz ( 1 V ) | 
| Sound Pressure Level | 92 ± 3 dB ( 1 w 0.5 m ) at(0.8)(1.0)(1.2)(1.5)KHZ | 
| Frequency Response Deviation | FO Hz ~ 20 KHz max -10 dB | 
| Operating temperature | -20 +70 ± 2 ℃ Hours 2 0 ~ 5 0 % R.H. | 
| Load test | White noise at 5 W 48 hours | 
| Weight | 156 g | 
Other non-stipulated matters are based on CNS4784 4785 4786 based on JIS.C. 5530 5531
FREQUENCY RESPONSE CURVE(7*18)
 
                                          